Жөө жүргүнчүлөр үчүн жарык берүүчү мамыча
Кененирээк окуу
Продукцияны тааныштыруу:
Күн энергиясы менен иштеген сары жаркылдаган жарык – бул жол кесилиштери, бурулуштар, көпүрөлөр жана жолдордун кырсыкка кабылуу коркунучу бар бөлүктөрүнө атайын иштелип чыккан жол кыймылы жөнүндө эскертүүчү түзүлүш. Ал күн энергиясы менен иштеген натыйжалуу системаны бириктирип, тышкы электр туташууларынын зарылдыгын жокко чыгарат жана орнотулгандан кийин дароо орнотууга мүмкүндүк берет. Энергияны үнөмдөөчү дизайны, көрүнүү мүмкүнчүлүгү жана бекем ишенимдүүлүгү менен түзмөк бардык аба ырайынын шарттарында суткасына 24 саат коопсуздукту камсыз кылат.
| Продукциянын модели | SSG200-3-FM11 | SSG300-3-FM11 | SSG400-3-FM11 |
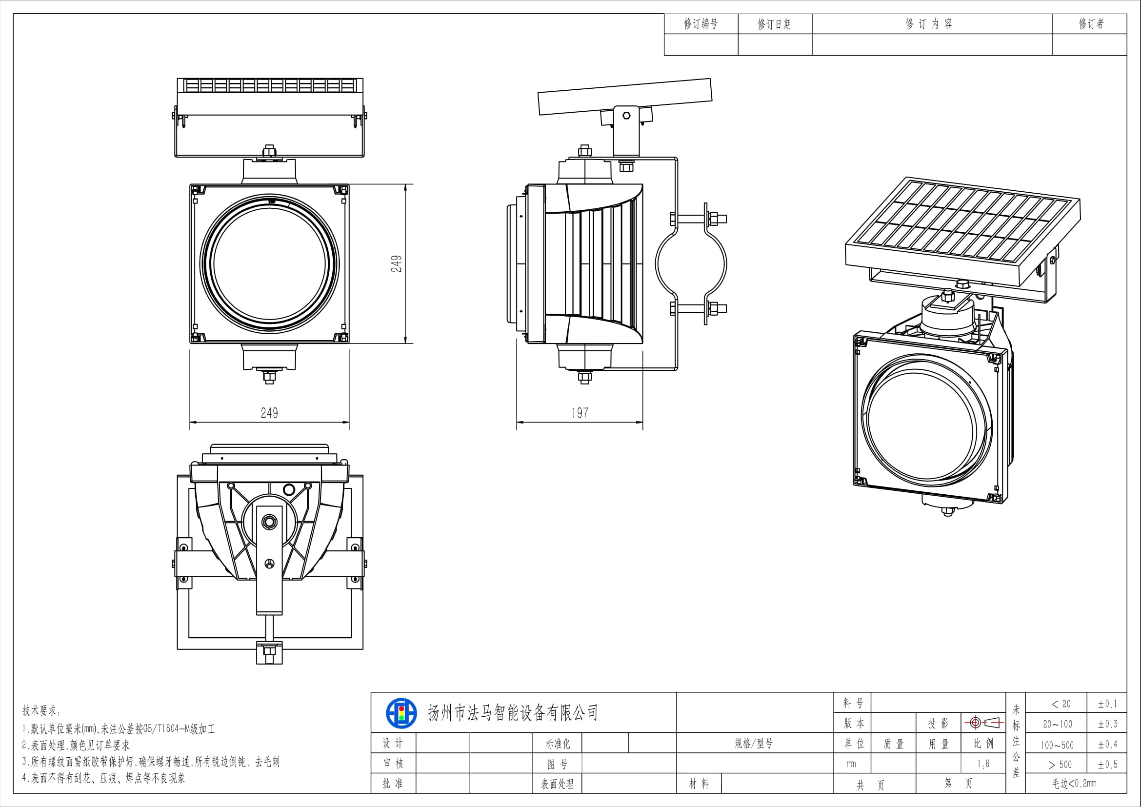
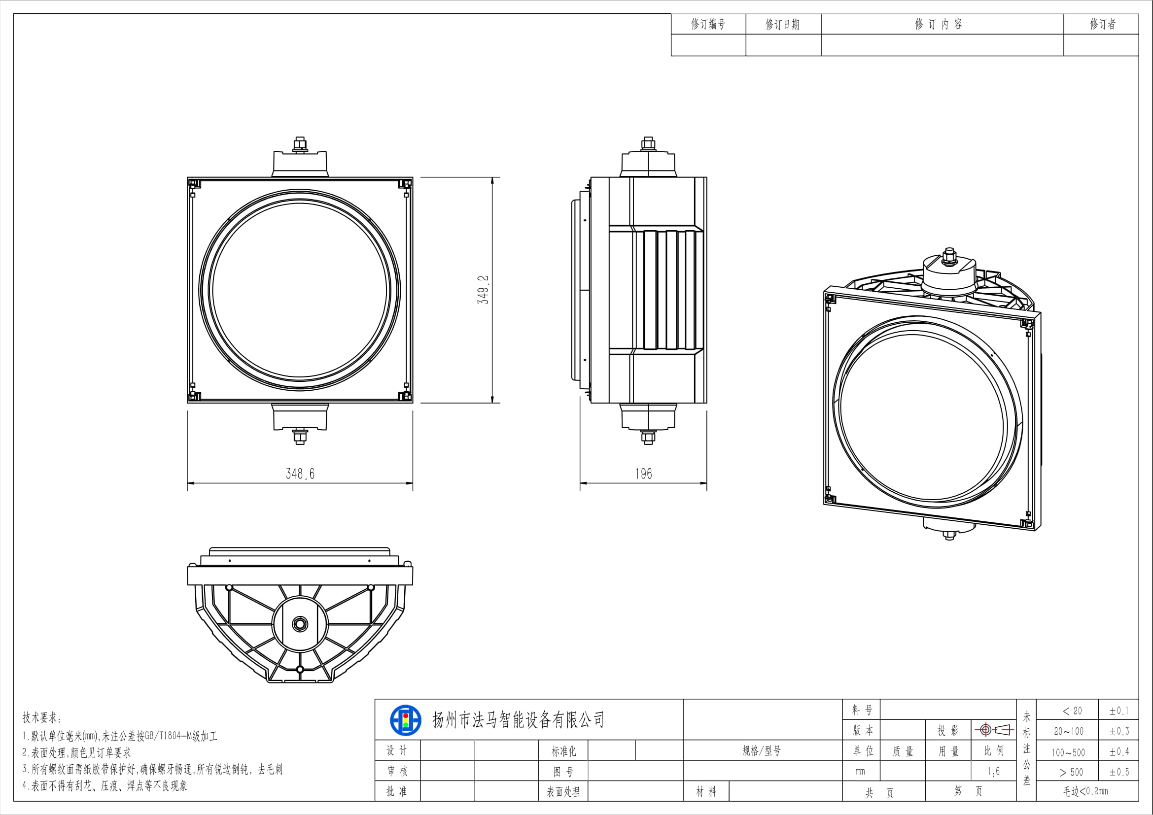
| Жарык чыгаруучу беттин (LES) өлчөмү | 200 мм | 300 мм | 400 мм |
| Иштөө чыңалуу | DC12V | DC12V | DC12V |
| Турак жай материалы | Поликарбонат корпус | Поликарбонат корпус | Поликарбонат корпус |
Күн панели | □ 8 Вт/16 В | □ 8 Вт/16 В | □ 15 Вт/16 В |
| Сактоочу батарея | □ 3000MAH/12.8V | □ 3000MAH/12.8V | □ 6600MAH/11.1V |
| Жаркылдаган жыштык | □ мүнөтүнө 60 жолу | □ мүнөтүнө 60 жолу | □ мүнөтүнө 60 жолу |
| Иштөө режими | 24 сааттык жаркылдатуу | 24 сааттык жаркылдатуу | 24 сааттык жаркылдатуу |
| Батареянын иштөө мөөнөтү | 5 күн | 5 күн | 5 күн |
| Масканын түсү | Тунук | Тунук | Тунук |
| LED саны | 60 даана | 99 даана | 168 даана |
| Лампанын кубаттуулугун керектөө | Сары толук топ ≤ 2 W | Сары толук шар ≤ 3 W | Сары толук шар ≤ 5 W |
| LED толкун узундугу | Сары: 590 ± 5 нм | Сары: 590 ± 5 нм | Сары: 590 ± 5 нм |
| Жаркыроо интенсивдүүлүгү | 300cd~1000cd | 300cd~1000cd | 300cd~1000cd |
| LED иштөө мөөнөтү | ≥ 100 000 саат | ≥ 100 000 саат | ≥ 100 000 саат |
| Иштөө температурасы | -40℃ дан +80℃ га чейин | -40℃ дан +80℃ га чейин | -40℃ дан +80℃ га чейин |
| Салыштырмалуу нымдуулук | ≤97% RH | ≤97% RH | ≤97% RH |
| Коргоо даражасы | IP55 | IP55 | IP55 |
| Көрүү аралыгы | ≥300 м | ≥300 м | ≥300 м |
| Таңгактоо мүнөздөмөлөрү | Кутучада 1 даана, Өлчөмү: 41 × 32 × 37 см, Салмагы: 6.3±0.5 кг | Кутучада 1 даана, Өлчөмү: 50 × 41 × 34 см, Салмагы: 8,4 ± 0,5 кг | Кутучада 1 даана, Өлчөмү: 55 × 65 × 29 см, Салмагы: 9.1 ± 0.5 кг |


